协昌环保 DCF-T直通式电磁脉冲阀
阀组成结构说明:
电磁阀的先导控制装置选用含碳量极低的导磁材质,经过了真空磁性处理,消除了杂质,增强了磁感应强度和透磁率,使磁轭衔铁动作灵敏可靠。
电磁脉冲阀上的节流孔、卸荷孔与脉冲阀腔匹配,通过试验取最佳值,使电磁脉冲阀在喷吹时有较大的的冲击力和较快的开关性能并最大限度地保证了膜片有较大的抬起高度,使电磁脉冲阀单位时间的喷吹量提高。
膜片:选用性能高的进口膜片,保证电磁脉冲阀长期可靠的工作。
先进的制造设备和检测仪器来保证弹簧的质量(弹簧成份化验分析仪等)
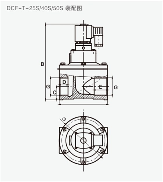
安装参考尺寸:
技术参数和指标:
工作压力:0.2Mpa-0.6Mpa
气源介质:经过油水分离和过滤的洁净空气
防护等级:IP65
电压:DC24V(AC220V/50Hz)
电流:0.8A(0.05A)
使用环境:
常温:-25℃~85℃;高温-25℃~230℃
空气的相对湿度不超过85%
膜片使用寿命:5年或100万次

